| 產品編號 | SKSCLAE010 | |
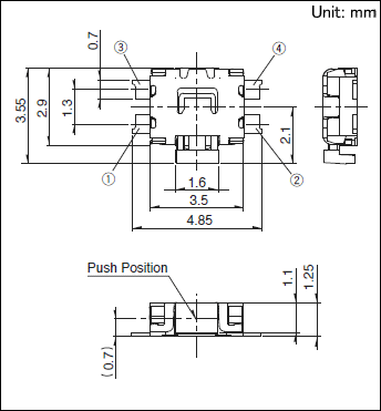
| 型 | Surface mount | |
| 動作力 | 2.2N | |
| 操作方向 | Side push | |
| 行程 | 0.2mm | |
|
操作壽命 (5mA 5V DC) |
100,000 cycles | |
| 初期接觸電阻 | 100mΩ max. | |
| 導向突起 | 無 | |
| 系列 | Sharp feeling type | |
| 使用溫度范圍 | -30℃ to +85℃ | |
| 最大額定 | 50mA 12V DC | |
| 最小額定 | 10μA 1V DC | |
| 電性能 | 絕緣電阻 | 100MΩ min. 100V DC for 1min. |
| 耐電壓 | 100V AC for 1 min. | |
| 耐久性能 | 耐振性能 | 10 to 55 to 10Hz/分, 全振幅1.5mm X, Y, Z 3方向各2小時 |
| 耐環境性能 | 耐寒性能 | -30±2℃ for 96h |
| 耐熱性能 | 80±2℃ for 96h | |
| 耐濕性能 | 60±2℃, 90 to 95%RH for 96h | |
| 最小訂貨單位(pcs.) | 日本 | 5,000 |
| 出口 | 5,000 |

